America's Most Trusted Vacuum Store! | Free Shipping on Most Orders $75 and Over - Contact Us! Local: (815) 459-1069 | Toll-Free: (800) 649-7996

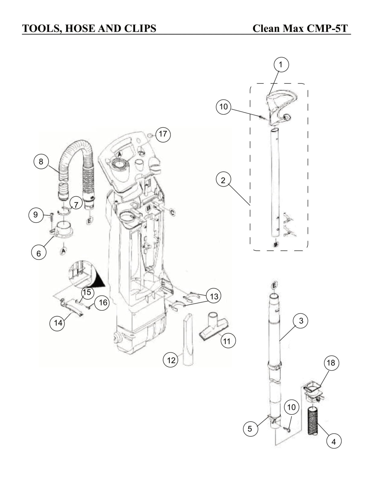
CleanMax Parts - Model CMP-5T - Tools, Hose & Clips
![]() |
![]() |
Please Note: Most vacuum parts are considered "special order" and may take an additional three to five days of processing time.
Can't find the part you're looking for? Call us at (800) 649-7996 for assistance!

